Freni KENDRION

www.kendrionat.com 

 

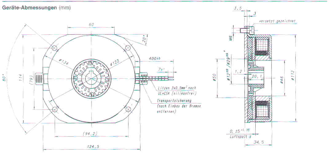
Freno monodisco a pressione di molle in DC.

76 131..A

Grandezze 08,13,16

2 a 25 Nm

24,102,178 V.DC